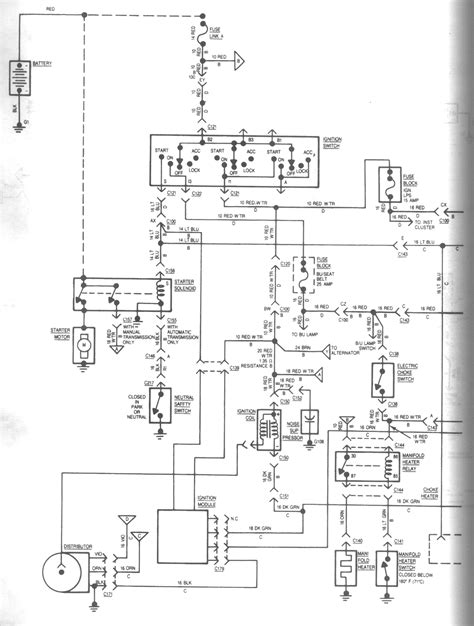
Vw Lt35 Diagram
Explore accurate VW LT35 wiring diagrams and electrical schematics to troubleshoot your van effectively. Get essential service manual insights for fuse box layouts and complete any repair with confidence.
Explore accurate VW LT35 wiring diagrams and electrical schematics to troubleshoot your van effectively. Get essential service manual insights for fuse box layouts and complete any repair with confidence.
Find the exact location of the fuse panel in your Audi A7 with our comprehensive guide. Easily locate both interior and engine bay fuse boxes to troubleshoot electrical issues efficiently, complete with a helpful diagram.
Access essential Ford Excursion wiring diagrams to troubleshoot and repair your vehicle's complex electrical system with confidence. Our detailed electrical schematics provide accurate, year-specific information for every circuit, component, and harness, ensuring you have the precise excursion wiring guide needed for effective maintenance or a challenging electrical repair. Simplify your work with comprehensive circuit diagrams designed for clarity and ease of use.
Discover essential information for your 1996 Acura TL, focusing on the crucial fusible link and its role within the vehicle's electrical system. This resource offers guidance for troubleshooting, maintenance, and replacement procedures, often referenced in the official service manual to ensure optimal performance and safety.
Explore comprehensive Mitsubishi Galant electric diagrams essential for troubleshooting and repair. Our resources provide precise wiring schematics, detailed electrical layouts, and crucial information to help you understand your vehicle's complex electrical system, ensuring accurate diagnostics and efficient maintenance for all Galant models.
Find the correct fuse diagram for your Honda Civic. This guide provides information on locating and understanding the fuse box diagram for various Honda Civic models, assisting with fuse replacement and troubleshooting electrical issues within your vehicle.
This comprehensive guide to data models delves into the essential principles and practical applications of structuring data effectively. Learn to design robust databases, understand various data modeling techniques like conceptual, logical, and physical models, and master the creation of ER diagrams crucial for efficient data architecture. Ideal for developers, data architects, and anyone seeking to build scalable and maintainable data systems.
Explore an essential guide to human anatomy, designed to help you accurately label the major organs of the body. This resource provides clear visuals and descriptions for easy identification of vital internal structures, perfect for students and anyone learning about the human organ systems.
Access the comprehensive fuse box diagram for your 1997 Land Rover, essential for diagnosing and resolving electrical issues. This detailed guide clearly maps out the fuse panel layout, identifying the location and function of each fuse within your Land Rover Discovery 1, facilitating effective troubleshooting and maintenance of its critical electrical systems.
Understanding the location and function of the 1991 Honda Civic's crank sensor fuse is vital for diagnosing common starting problems or engine P0335 codes. This specific fuse protects the crankshaft position sensor, a critical component for accurate engine timing, ignition, and fuel injection, ensuring your vehicle runs smoothly.