Results for Toyota Carina Engine

Showing 1 - 10 of 46
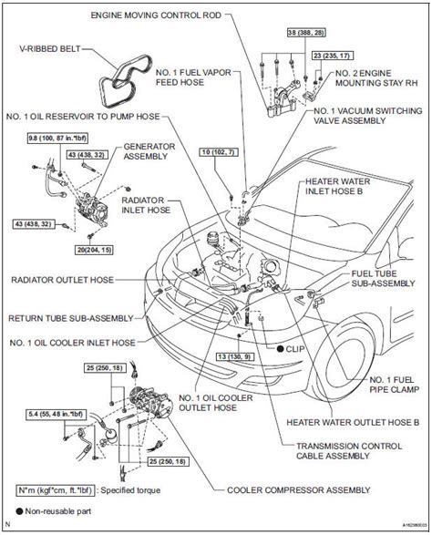
1az fse engine manual

1az fse engine manual

1AZ-FSE engineengine manual (2015)

This page provides resources for the 1AZ-FSE engine, including repair manuals, service guides, and workshop manuals. Find comprehensive documentation to help you diagnose, maintain, and repair your Toyota 1AZ-FSE engine. Downloadable PDFs and online resources are available for various Toyota models equipped with this engine, offering detailed instructions and diagrams for troubleshooting and maintenance.

Toyota Duet Engine

Toyota Duet Engine

Toyota Duet engineDuet car engine specifications (2014)

The Toyota Duet engine is a crucial component of this popular compact car, offering a balance of efficiency and reliability. Drivers seeking detailed insights can explore the various Duet engine specifications, understand its performance characteristics, and learn about the powertrain options that make the Toyota Duet a practical choice for urban mobility.

Toyota Carina Engine Repair Guide

Toyota Carina Engine Repair Guide

Toyota Carina EngineCarina Engine Repair (2006)

This comprehensive guide provides essential information for Toyota Carina engine repair and maintenance. Whether you're troubleshooting common issues, performing routine upkeep, or undertaking a complete engine overhaul, this resource offers detailed instructions, diagrams, and tips to help you keep your Carina's engine running smoothly and efficiently for years to come.

Toyota Dyna Repair Manual

Toyota Dyna Repair Manual

Toyota Dyna repair manualToyota Dyna service manual (1994)

Access the definitive Toyota Dyna repair manual, an indispensable resource for comprehensive service and maintenance. This detailed workshop guide provides essential instructions for engine diagnostics, electrical system troubleshooting, routine servicing, and much more, empowering owners and mechanics to confidently maintain and repair their Toyota Dyna trucks with precision.

4y Toyota Timing Engine

4y Toyota Timing Engine

Toyota 4Y engine timing4Y timing chain replacement (2013)

Discover essential information about the Toyota 4Y engine timing system. This guide covers critical aspects from understanding timing chain components and setting precise timing marks to maintenance tips and replacement procedures, ensuring optimal performance and longevity for your classic Toyota 4Y engine.

Toyota 3e Engine

Toyota 3e Engine

toyota 3e engine3e engine specifications (2009)

The Toyota 3E engine is a popular 1.5-liter, 4-cylinder gasoline engine from the E-series, primarily used in compact Toyota vehicles. Known for its robust design and fuel efficiency, it often features a SOHC configuration and was a staple in models like the Tercel and Corsa, providing reliable performance for everyday driving.

toyota 15z engine service manual

toyota 15z engine service manual

Toyota 15Z Engine15Z Engine Service Manual (1990)

Find the Toyota 15Z Engine Service Manual you need for comprehensive repair and maintenance. This guide provides detailed instructions and diagrams for troubleshooting, overhauling, and servicing your Toyota 15Z engine, commonly found in forklifts and other industrial equipment. Download the manual today for efficient and effective engine repairs.

Toyota Sienna Engine Diagram

Toyota Sienna Engine Diagram

Toyota Sienna engine diagramSienna engine components (1998)

Explore our comprehensive Toyota Sienna engine diagram, offering a detailed visual guide to all major components and their intricate connections. This essential resource provides clarity on the Sienna's powerplant layout, perfect for maintenance, troubleshooting, or understanding the vehicle's mechanics. Easily identify critical engine parts and their relationships for efficient repairs and a deeper understanding of your Toyota Sienna's heart.

Toyota 3vz Fe Engine Workshop Manual

Toyota 3vz Fe Engine Workshop Manual

Toyota 3VZ-FE Engine Manual3VZ-FE Workshop Manual (1992)

Access the comprehensive Toyota 3VZ-FE Engine Workshop Manual, your essential guide for detailed service, repair, and maintenance procedures. This manual provides in-depth instructions, wiring diagrams, troubleshooting charts, and specifications, perfect for mechanics and DIY enthusiasts tackling any aspect of the Toyota 3VZ-FE V6 engine. Ensure accurate and efficient upkeep of your vehicle with this indispensable resource.

Page 1 of 5
Randomized data view for Wiley component with images.