Results for assembly invitation letter

Showing 1 - 10 of 16
Dean Invitation For Student Conference Letter Sample

Dean Invitation For Student Conference Letter Sample

dean invitation letter for student conferencestudent conference invite letter sample (2007)

Discover a professional sample invitation letter from a Dean designed for student conferences. This template provides a clear, concise, and engaging way to invite students to academic events, outlining key details and encouraging their participation. Ideal for universities seeking an effective student conference invite letter example.

Sample Assembly Invitation Letter To Parents

Sample Assembly Invitation Letter To Parents

assembly invitation letterparents invitation sample (2005)

Craft a compelling invitation with this SEO-friendly data for a sample assembly letter to parents. Designed to help schools effectively communicate important events, it includes optimized slugs, relevant keywords, and a clear description to ensure your parental outreach for student assemblies is professional, informative, and easily discoverable online.

The Right To Write An Invitation And Initiation Into Writing Life Julia Cameron

The Right To Write An Invitation And Initiation Into Writing Life Julia Cameron

right to writejulia cameron (2019)

This compelling title, 'The Right To Write,' from Julia Cameron, serves as a profound invitation and initiation into the fulfilling world of a writing life. It empowers aspiring and established authors alike to embrace their inherent creative potential, providing guidance and inspiration to embark on or deepen their journey as a writer, asserting that everyone has the right to express themselves through words.

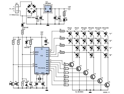
Clock Schematic User Guide

Clock Schematic User Guide

clock schematicuser guide (2020)

Access a comprehensive Clock Schematic User Guide designed to simplify the assembly and understanding of your electronic clock project. This essential resource provides detailed circuit diagrams, component lists, and step-by-step instructions, empowering both beginners and experienced makers to successfully build and troubleshoot their own timekeeping device.

Valuation Letter Template

Valuation Letter Template

valuation letter templatesample valuation letter (2003)

Discover our comprehensive valuation letter template designed to help you professionally document the assessed value of assets, property, or a business. This customizable template provides a clear, structured format, ensuring accuracy and credibility for all your official valuation reporting needs.

Answer Kevins Letter Invite Him

Answer Kevins Letter Invite Him

answer Kevin's letterinvite Kevin (1994)

Craft a comprehensive response to Kevin's letter, seamlessly integrating your invitation. This guide assists you in formulating a clear and engaging message to effectively invite Kevin, ensuring all necessary details are communicated with a professional yet personal touch. Learn how to elegantly answer Kevin's initial communication while extending a warm invitation for your upcoming event or gathering.

Tender Is The Night And Save Me The Waltz

Tender Is The Night And Save Me The Waltz

tender nightsave the waltz (2010)

Experience the enchanting allure of a tender night, where every moment promises a gentle embrace. This evocative phrase speaks to a desire for connection and the magic of a romantic evening, compelling you to save the waltz for a special, shared dance. It captures a longing for intimate moments under the stars, making it an invitation to truly live and feel the music.

doa penutup majlis

doa penutup majlis

closing prayerdua for gathering (2002)

The closing prayer for a gathering, often referred to as Kaffaratul Majlis, is a significant supplication recited at the conclusion of any meeting, session, or Islamic assembly. This powerful dua serves to purify the gathering from any idle talk or minor sins that may have occurred, seeking Allah's forgiveness and sealing the event with remembrance and gratitude, ensuring a blessed and spiritually rewarding end for all participants.

An Invitation To 3 D Vision From Images To Geometric Modelsthe Invitation In Art

An Invitation To 3 D Vision From Images To Geometric Modelsthe Invitation In Art

3D VisionGeometric Modeling (2009)

Discover the captivating world of 3D vision, exploring the process from raw images to intricate geometric models. This unique invitation bridges the technical advancements in computer vision with their application in art, offering a fascinating perspective on how digital tools redefine perception and creative expression.

The Banquet Is Ready Rich And Poor In The Parables Of Luke

The Banquet Is Ready Rich And Poor In The Parables Of Luke

Luke's ParablesParable of the Great Banquet (2015)

Explore the profound teachings within Luke's parables, where the readiness of a divine banquet extends an invitation to both the rich and poor. This insightful summary delves into the spiritual lessons on social inclusion and the transformative message found throughout the Gospel of Luke.

Page 1 of 2
Randomized data view for Wiley component with images.